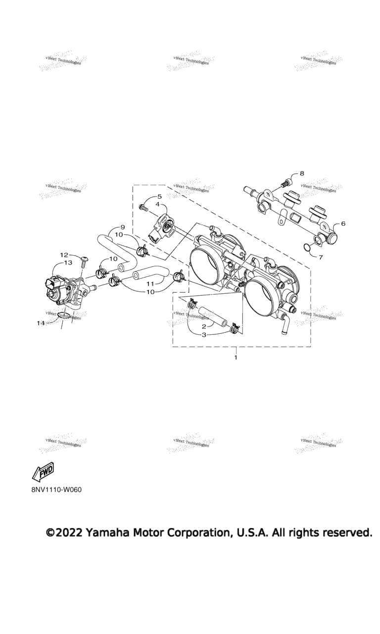
Впуск 2 для снегоходов Yamaha MOUNTAIN MAX 800 LE (MM8N54ENS) 2022г.

Схема узла: Впуск 2 для снегоходов Yamaha MOUNTAIN MAX 800 LE (MM8N54ENS) 2022г.
Купить запчасти: 8NV-E3750-00-00, 8ND-E3971-00-00, 8ND-RAB08-00-00, 8ND-H5885-00-00, 8ND-E4216-00-00, 8NV-E3938-00-00, 8NV-RAF03-00-00, 8NV-RA100-00-00, 8ND-E3544-00-00, 8ND-RAB09-00-00, 8ND-E3542-00-00, 8KC-RA229-00-00, 8ND-H5830-00-00, 8ND-RAF05-00-00.
Москва Санкт-Петербург Воронеж Краснодар Волгоград Ростов-на-Дону Махачкала Казань Ижевск Самара Тольятти Пермь Уфа Саратов Тюмень Екатеринбург Челябинск Красноярск Новосибирск Омск Барнаул Хабаровск
Меню
Звонок
Корзина
Поиск
Вход