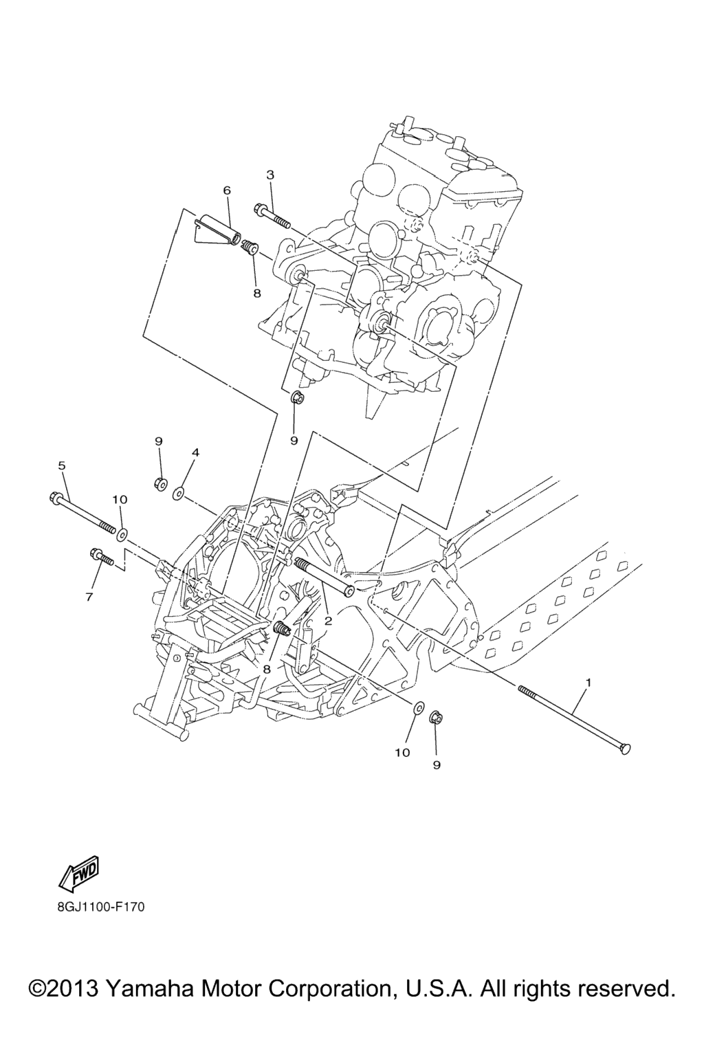
Крепление двигателя для снегоходов Yamaha VENTURE LITE (PZ50VTBL) 2012г.

Схема узла: Крепление двигателя для снегоходов Yamaha VENTURE LITE (PZ50VTBL) 2012г.
Купить запчасти: 8GJ-21481-00-00, 8GJ-2149C-00-00, 95817-10100-00, 90201-106F2-00, 902-01100-L3-00, 90105-10260-00, 8GJ-2141A-00-00, 95814-08045-00, 958-22080-45-00, 8GC-21495-00-00, 90179-10658-00, 901-79102-47-00, 90201-10144-00.
Москва Санкт-Петербург Воронеж Краснодар Волгоград Ростов-на-Дону Махачкала Казань Ижевск Самара Тольятти Пермь Уфа Саратов Тюмень Екатеринбург Челябинск Красноярск Новосибирск Омск Барнаул Хабаровск
Меню
Звонок
Корзина
Поиск
Вход