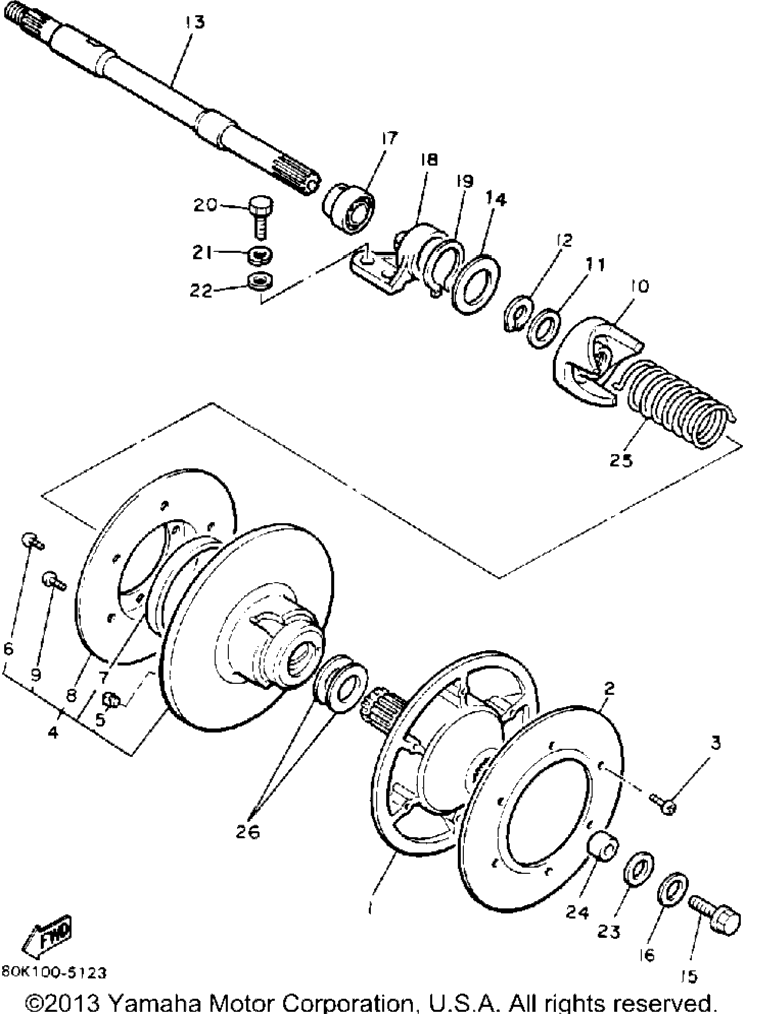
Вторичный ползунец для снегоходов Yamaha PHAZER II LE (ELEC START) (PZ480EP) 1990г.

Схема узла Вторичный Ползунец
1
Под заказ
Изображение товара Щека вариатора вторичная
80R-17660-01-00
Щека вариатора вторичная
62 239 ₽
68 463 ₽
1
Под заказ
Изображение товара Щека вариатора вторичная
89N-17660-00-00
Щека вариатора вторичная
62 239 ₽
68 463 ₽
2
Под заказ
Изображение товара Диск
81H-17665-00-00
Диск
2 306 ₽
2 537 ₽
2
Под заказ
Изображение товара Plate 1
81H-17665-01-00
Plate 1
2 302 ₽
2 532 ₽
3
Под заказ
Изображение товара Винт
90150-05022-00
Винт
349 ₽
384 ₽
3
Под заказ
Изображение товара Винт
98507-05008-00
Винт
4
Под заказ
Изображение товара Secondary Sliding Sheave
81H-17670-00-00
Secondary Sliding Sheave
44 093 ₽
48 502 ₽
5
Под заказ
Изображение товара Упор
8X6-17688-00-00
Упор
6
Под заказ
Изображение товара Винт
98907-06012-00
Винт
1 355 ₽
1 491 ₽
6
Под заказ
Изображение товара Винт
90154-06036-00
Винт
886 ₽
975 ₽
7
Под заказ
Изображение товара Втулка
90380-90117-00
Втулка
9 252 ₽
10 177 ₽
8
Под заказ
Изображение товара Пластина 2
81H-17675-01-00
Пластина 2
8
Под заказ
Изображение товара Plate 2
81H-17675-00-00
Plate 2
9
Под заказ
Изображение товара Винт
90150-05022-00
Винт
349 ₽
384 ₽
9
Под заказ
Изображение товара Винт
98507-05008-00
Винт
10
Под заказ
Изображение товара Seat, Secondary Spring
8V0-17684-00-00
Seat, Secondary Spring
11
Под заказ
Изображение товара Шайба
90201-34684-00
Шайба
12
Под заказ
Изображение товара Кольцо стопорное
93440-34170-00
Кольцо стопорное
13
Под заказ
Изображение товара Shaft, Secondary
87M-17681-00-00
Shaft, Secondary
44 611 ₽
49 072 ₽
14
Под заказ
Изображение товара Шайба (T=0.5 мм)
90201-252F1-00
Шайба (T=0.5 мм)
1 255 ₽
1 381 ₽
14
Под заказ
Изображение товара Шайба (T=1.0 мм)
90201-25527-00
Шайба (T=1.0 мм)
14
Под заказ
Изображение товара Шайба (T=2.0 мм)
90201-25526-00
Шайба (T=2.0 мм)
15
Под заказ
Изображение товара Болт
90105-14175-00
Болт
1 227 ₽
1 350 ₽
16
Под заказ
Изображение товара Шайба
90201-140A6-00
Шайба
577 ₽
635 ₽
17
Под заказ
Изображение товара Подшипник
888-17678-00-00
Подшипник
19 356 ₽
21 292 ₽
18
Под заказ
Изображение товара Корпус подшипника
8V0-47631-00-00
Корпус подшипника
18
Под заказ
Изображение товара Корпус подшипника
85L-47631-00-00
Корпус подшипника
19
Под заказ
Изображение товара Кольцо стопорное
99009-52500-00
Кольцо стопорное
2 116 ₽
2 328 ₽
20
Под заказ
Изображение товара Болт
97027-08022-00
Болт
257 ₽
283 ₽
20
Под заказ
Изображение товара Болт
97022-08022-00
Болт
257 ₽
283 ₽
21
В наличии
Изображение товара Шайба
92990-08100-00
Шайба
536 ₽
590 ₽
22
Под заказ
Изображение товара Шайба
92990-08600-00
Шайба
23
Под заказ
Изображение товара Шайба (0.5 мм)
90201-222F0-00
Шайба (0.5 мм)
1 338 ₽
1 472 ₽
23
Под заказ
Изображение товара Шайба (1.0 мм)
90201-225A4-00
Шайба (1.0 мм)
24
Под заказ
Изображение товара Втулка
90387-147A8-00
Втулка
1 781 ₽
1 959 ₽
25
Под заказ
Изображение товара Пружина
90508-50793-00
Пружина
26
Под заказ
Изображение товара Шайба
90201-345G2-00
Шайба
Схема узла: Вторичный ползунец для снегоходов Yamaha PHAZER II LE (ELEC START) (PZ480EP) 1990г.
Купить запчасти: 80R-17660-01-00, 89N-17660-00-00, 81H-17665-00-00, 81H-17665-01-00, 90150-05022-00, 98507-05008-00, 81H-17670-00-00, 8X6-17688-00-00, 98907-06012-00, 90154-06036-00, 90380-90117-00, 81H-17675-01-00, 81H-17675-00-00, 90150-05022-00, 98507-05008-00, 8V0-17684-00-00, 90201-34684-00, 93440-34170-00, 87M-17681-00-00, 90201-252F1-00, 90201-25527-00, 90201-25526-00, 90105-14175-00, 90201-140A6-00, 888-17678-00-00, 8V0-47631-00-00, 85L-47631-00-00, 99009-52500-00, 97027-08022-00, 97022-08022-00, 92990-08100-00, 92990-08600-00, 90201-222F0-00, 90201-225A4-00, 90387-147A8-00, 90508-50793-00, 90201-345G2-00.
Москва Санкт-Петербург Воронеж Краснодар Волгоград Ростов-на-Дону Махачкала Казань Ижевск Самара Тольятти Пермь Уфа Саратов Тюмень Екатеринбург Челябинск Красноярск Новосибирск Омск Барнаул Хабаровск
Меню
Звонок
Корзина
Поиск
Вход