Москва
О нас
Оплата
Доставка
Возврат
Сервис
Контакты
Стать продавцом
Войти
Каталог
8-800-301-35-30
Каталог запчастей
Лодочные моторы
Лодки и катера
Гребные винты
Запчасти для подвесных лодочных моторов
Запчасти для гидроциклов
Запчасти для снегоходов
Электрооборудование
Масла и смазочные материалы
Системы рулевого и дистанционного управления
Оборудование для катеров и яхт
Топливные аксессуары
Водяные помпы, поплавковые выключатели
Запчасти для квадроциклов
Лодки и катера
Катера Bombardier (BRP)
Катера Mercury
Катера Polaris
Катера Yamaha
Надувные лодки Quicksilver/Mercury
Понтонные Bombardier (BRP)
Гидроциклы
Arctic Cat
Bombardier SEA-DOO
Kawasaki
Polaris
Yamaha
Квадроциклы
Arctic Cat
Bombardier CAN-AM
Honda
Kawasaki
Polaris
Suzuki
Yamaha
Еще
Лодочные моторы
Bombardier
Evinrude
Honda
Johnson
Mercruiser
Mercury
Nissan
Suzuki
Tohatsu
Toyama
Volvo Penta
Yamaha
Еще
Снегоходы
Arctic Cat
Bombardier SKI-DOO
Lynx
Polaris
Yamaha
Лодочные моторы ALLFA
Лодочные моторы ALLFA
Лодочные моторы Gladiator
Лодочные моторы Gladiator
Лодочные моторы Golfstream
Лодочные моторы Golfstream
Лодочные моторы Hidea
Лодочные моторы Hidea
Лодочные моторы HND
Лодочные моторы HND
Лодочные моторы HONDA
Лодочные моторы HONDA
Лодочные моторы Mercury
Моторы mercury seapro для коммерческой эксплуатации
Новейшие mercury v6 и v8 175-300 л.с.
Подвесные водомёты mercury jet
Подвесные моторы mercury
Подвесные моторы mercury v12
Лодочные моторы Parsun
Лодочные моторы Parsun
Лодочные моторы Quicksilver
Лодочные моторы Quicksilver
Лодочные моторы REEF RIDER
Лодочные моторы REEF RIDER
Лодочные моторы Suzuki
Лодочные моторы Suzuki
Лодочные моторы Tohatsu
Лодочные моторы Tohatsu
Лодочные моторы Toyama
Лодочные моторы Toyama
Лодочные моторы Yamaha
Лодочные моторы Yamaha
Стационарные двигатели
Запчасти для стационарных двигателей
Стационарные двигатели mercruiser
Судовые двигатели Volvo Penta
Промышленные Volvo Penta
Судовые коммерческие Volvo Penta
Судовые прогулочные Volvo Penta
Угловые колонки и транцевые сборки
Транцевые сборки mercruiser alpha и bravo
Угловые колонки mercuiser alpha one gen 2
Угловые колонки mercuiser bravo one i/i x/ i xr
Угловые колонки mercuiser bravo three iii/iii x/ iii xr
Угловые колонки mercuiser bravo two ii/ii x/ ii xr
Электромоторы
Гребные винты motorguide
Гребные винты для электромоторов
Запасные части для электромоторов minn kota
Запчасти для электромоторов
Лодочные тяговые аккумуляторы и зарядные устройства
Чехлы для электромоторов
Электромоторы haswing
Электромоторы minn kota
Электромоторы motorguide
Электромоторы watersnake
Еще
Принадлежности для лодочных моторов
Гидрокрылья и транцевые плиты
Чехлы для моторов
Катера Phoenix
Катера Phoenix
Катера Velvette
Катера Velvette
Катера Victory
Катера Victory
Катера Бриз
Катера Бриз
Гребные винты для Yamaha
Гребные винты для Yamaha
Гребные винты для Johnson
Гребные винты для Johnson
Гребные винты для Mercury / MerCruiser
Для подвесных моторов
Для стационарных двигателей
Стальные гребные винты mercury
Гребные винты для Honda
Гребные винты для Honda
Гребные винты для Suzuki
Гребные винты для Suzuki
Гребные винты для Tohatsu / Nissan
Гребные винты для Tohatsu / Nissan
Гребные винты для Volvo Penta
Гребные винты для Volvo Penta
Гребные винты Marine Rocket
Гребные винты Marine Rocket
Гребные винты для Evinrude
Гребные винты для Evinrude
Гребные винты для Gladiator
Гребные винты для Gladiator
Гребные винты для Golfstream
Гребные винты для Golfstream
Гребные винты для Hidea
Гребные винты для Hidea
Гребные винты для HND
Гребные винты для HND
Гребные винты для Parsun
Гребные винты для Parsun
Гребные винты для Selva
Гребные винты для Selva
Гребные винты для Yanmar
Гребные винты для Yanmar
Гребные винты ProPulse (с изменяемым шагом)
Гребные винты ProPulse (с изменяемым шагом)
Гребные винты Turning Point
Гребные винты Turning Point для Honda
Гребные винты Turning Point для Johnson / Evinrude
Гребные винты Turning Point для MerCruiser
Гребные винты Turning Point для Mercury
Гребные винты Turning Point для Suzuki
Гребные винты Turning Point для Tohatsu
Гребные винты Turning Point для Volvo Penta
Гребные винты Turning Point для Yamaha
Еще
Гребные винты SOLAS
Гребные винты solas для honda
Гребные винты solas для johnson / evinrude
Гребные винты solas для mercruiser
Гребные винты solas для mercury
Гребные винты solas для suzuki
Гребные винты solas для tohatsu
Гребные винты solas для volvo penta
Гребные винты solas для yamaha
Гребные винты solas для yanmar
Еще
Аноды для подвесных лодочных моторов
Алюминиевые аноды для подвесных лодочных моторов
Магниевые аноды для подвесных лодочных моторов
Пластиковые триммеры для подвесных лодочных моторов
Цинковые аноды для подвесных лодочных моторов
Выхлопные шланги и патрубки
Выхлопные шланги и патрубки
Детали редукторов для подвесных лодочных моторов
Валы для подвесных лодочных моторов
Гайки для подвесных лодочных моторов
Другие запчасти редукторов для подвесных лодочных моторов
Корпуса редукторов для подвесных лодочных моторов
Корпуса сальников/подшипников для подвесных лодочных моторов
Подшипники редукторов для подвесных лодочных моторов
Редукторы (в сборе) для подвесных лодочных моторов
Рем.комплекты редукторов для подвесных лодочных моторов
Сальники (уплотнения) редукторов для подвесных лодочных моторов
Храповики редукторов для подвесных лодочных моторов
Шестерни редукторов для подвесных лодочных моторов
Еще
Детали ручных стартеров для подвесных лодочных моторов
Катушки ручного стартера для подвесных лодочных моторов
Пружины ручного стартера для подвесных лодочных моторов
Собачки (привод фиксатора) ручных стартеров для подвесных лодочных моторов
Стартеры ручные (в сборе) для подвесных лодочных моторов
Шнур ручного стартера для подвесных лодочных моторов
Детали трима для подвесных лодочных моторов
Датчики трима для подвесных лодочных моторов
Моторы трима для подвесных лодочных моторов
Другие запчасти yamaha
Другие запчасти yamaha
Замена масла для подвесных лодочных моторов
Замена масла для лодочных моторов honda
Замена масла для лодочных моторов johnson
Замена масла для лодочных моторов mercury
Замена масла для лодочных моторов suzuki
Замена масла для лодочных моторов tohatsu
Замена масла для лодочных моторов yamaha
Запчасти грм для лодочных моторов
Клапаны впуска/выпуска для подвесных лодочных моторов
Маслосъемные колпачки для подвесных лодочных моторов
Ремни грм для подвесных лодочных моторов
Запчасти двигателя (детали цилиндро-поршневой группы) для подвесных лодочных моторов
Гильзы цилиндров для подвесных лодочных моторов
Коленвалы для подвесных лодочных моторов
Пальцы коленвалов для подвесных лодочных моторов
Подшипники коленвала для подвесных лодочных моторов
Поршневые кольца для подвесных лодочных моторов
Поршневые пальцы и подшипники для подвесных лодочных моторов
Поршни для подвесных лодочных моторов
Прокладки для подвесных лодочных моторов
Сальники коленвала для подвесных лодочных моторов
Шатуны для подвесных лодочных моторов
Еще
Капоты (колпаки) и пренадлежности
Honda
Mercury
Suzuki
Yamaha
Ограничители упора/наклона двигателя для подвесных лодочных моторов
Ограничители упора/наклона двигателя для лодочных моторов mercury
Ограничители упора/наклона двигателя для лодочных моторов tohatsu
Ограничители упора/наклона двигателя для лодочных моторов yamaha
Прочие запчасти для лодочных моторов
Прочие запчасти для лодочных моторов honda
Прочие запчасти для лодочных моторов johnson
Прочие запчасти для лодочных моторов mercury
Прочие запчасти для лодочных моторов suzuki
Прочие запчасти для лодочных моторов tohatsu
Прочие запчасти для лодочных моторов yamaha
Система охлаждения для подвесных лодочных моторов
Крыльчатки охлаждения для подвесных лодочных моторов
Помпы охлаждения для подвесных лодочных моторов
Термостаты для подвесных лодочных моторов
Топливная система для подвесных лодочных моторов
Диафрагмы (мембраны) топливных насосов для подвесных лодочных моторов
Запчасти карбюраторов для подвесных лодочных моторов
Карбюраторы для подвесных лодочных моторов
Клапаны лепестковые и лепестки для подвесных лодочных моторов
Прокладки бензонасоса для подвесных лодочных моторов
Рем.коплекты топливных насосов для подвесных лодочных моторов
Топливные насосы/бензонасосы для подвесных лодочных моторов
Еще
Управление для подвесных лодочных моторов
Ручки включения передач для подвесных лодочных моторов
Тросики газа для подвесных лодочных моторов
Фильтры для лодочных моторов
Наборы то для подвесных лодочных моторов
Фильтры воздушные для подвесных лодочных моторов
Фильтры масляные для подвесных лодочных моторов
Фильтры топливные для подвесных лодочных моторов
Электрика для подвесных лодочных моторов
Бендиксы стартера для подвесных лодочных моторов
Блоки зажигания для подвесных лодочных моторов
Катушки генератора для подвесных лодочных моторов
Катушки зажигания для подвесных лодочных моторов
Прочая электрика для подвесных лодочных моторов
Реле стартера и трима для подвесных лодочных моторов
Свечные провода/колпачки для подвесных лодочных моторов
Стартеры для подвесных лодочных моторов
Статоры для подвесных лодочных моторов
Еще
Аксессуары для гидроциклов
Аварийные чеки для гидроциклов
Водометная установка
Водозаборные решетки для гидроциклов
Запчасти для водометов
Кольца импеллеров для гидроциклов
Корпуса импеллеров для гидроциклов
Впускная система для гидроциклов
Лепестковые клапаны для гидроциклов
Роторные клапаны для гидроциклов
Двигатель для гидроциклов
Гильзы цилиндров для гидроциклов
Запчасти грм для гидроциклов
Запчасти для балансирных валов для гидроциклов
Запчасти и ремкомплекты коленвалов для гидроциклов
Игольчатые подшипники для гидроциклов
Коленчатые валы (в сборе) для гидроциклов
Опоры, подушки двигателя для гидроциклов
Поршни для гидроциклов
Прокладки для гидроциклов
Сальники для гидроциклов
Шатуны для гидроциклов
Еще
Импеллеры для гидроциклов
Ключи импеллеров для гидроциклов
Масла для гидроциклов
Масла для гидроциклов
Система запуска двигателя для гидроциклов
Бендиксы стартера для гидроциклов
Реле стартера для гидроциклов
Стартеры для гидроциклов
Топливная система для гидроциклов
Запчасти для карбюраторов для гидроциклов
Топливные насосы для гидроциклов
Тросы управления для гидроциклов
Тросы газа для гидроциклов
Тросы заднего хода (реверса) для гидроциклов
Тросы рулевые для гидроциклов
Тросы трима (изменения вертикального угла сопла) для гидроциклов
Фильтры для гидроциклов
Воздушные фильтры для гидроциклов
Масляные фильтры для гидроциклов
Топливные фильтры для гидроциклов
Электрооборудование для гидроциклов
Датчики для гидроциклов
Катушки зажигания для гидроциклов
Коммутаторы для гидроциклов
Регуляторы напряжения для гидроциклов
Статоры для гидроциклов
Впускная система для снегоходов
Впускные патрубки для снегоходов
Лепестковые клапаны для снегоходов
Выхлопная система для снегоходов
Прокладки для снегоходов
Пружины крепления глушителя для снегоходов
Уплотнительные кольца глушителя для снегоходов
Двигатель для снегоходов
Гильзы для снегоходов
Игольчатые подшипники для снегоходов
Коленчатые валы для снегоходов
Комплект прокладок для снегоходов
Опоры (подушки) двигателя для снегоходов
Подшипники коленвала для снегоходов
Поршневые кольца для снегоходов
Поршни для снегоходов
Сальники коленвала для снегоходов
Цилиндры для снегоходов
Шатуны для снегоходов
Щеки коленчатого вала для снегоходов
Еще
Задняя подвеска для снегоходов
Амортизаторы для снегоходов
Валы для снегоходов
Запчасти задней подвески для снегоходов
Ролики (катки) задней подвески для снегоходов
Склизы (скользящие направляющие гусениц) для снегоходов
Запчасти для yamaha viking 540
Запчасти для yamaha viking 540
Органы управления снегохода
Выключатели для снегоходов
Тросы управления для снегоходов
Передняя подвеска для снегоходов
Втулки передней подвески для снегоходов
Демпферы лыж для снегоходов
Коньки лыж снегоходов для снегоходов
Рычаги для снегоходов
Тяги для снегоходов
Шаровые опоры для снегоходов
Прочее для снегоходов
Прочее для снегоходов
Рулевое управление для снегоходов
Рулевые наконечники для снегоходов
Рулевые рычаги и тяги для снегоходов
Световое оборудование для снегоходов
Световое оборудование для снегоходов arctic cat
Световое оборудование для снегоходов polaris
Световое оборудование для снегоходов ski-doo
Световое оборудование для снегоходов yamaha
Система запуска двигателя для снегоходов
Бендиксы для снегоходов
Реле стартера (соленоиды) для снегоходов
Стартеры ручные для снегоходов
Стартеры электрические для снегоходов
Система охлаждения для снегоходов
Система охлаждения для снегоходов ski-doo
Система охлаждения для снегоходов yamaha
Топливная система для снегоходов
Русская механика для снегоходов
Топливная система для снегоходов ski-doo
Тормозная система для снегоходов
Колодки тормозные для снегоходов
Тормозные ручки для снегоходов
Трансмиссия для снегоходов
Вариаторы ведомые для снегоходов
Вариаторы ведущие для снегоходов
Другие запчасти коробки передач для снегоходов
Запчасти для вариаторов для снегоходов
Подшипники кпп для снегоходов
Прокладки кпп для снегоходов
Ремни вариаторов для снегоходов
Сальники кпп для снегоходов
Съемники вариаторов для снегоходов
Цепь кпп для снегоходов
Шестерни кпп для снегоходов
Еще
Фильтры для снегоходов
Масляные фильтры для снегоходов
Топливные фильтры для снегоходов
Электоросистема для снегоходов
Датчики для снегоходов
Замки зажигания для снегоходов
Катушки зажигания для снегоходов
Реле регуляторы напряжения для снегоходов
Статоры генератора для снегоходов
Элементы корпуса и стёкла для снегоходов
Бамперы для снегоходов
Брызговики для снегоходов
Ветровые стекла на снегоход
Замки капота для снегоходов
Ngk свечи зажигания
Ngk свечи зажигания
Бронепровода volvo-penta
Бронепровода volvo-penta
Вилки берегового питания
Вилки берегового питания
Выводы кабельные
Выводы кабельные
Высоковольтные катушки mercruiser
Высоковольтные катушки mercruiser
Высоковольтные провода
Высоковольтные провода
Генераторы mercruiser
Генераторы mercruiser
Датчики
Датчики
Держатели приборов
Держатели приборов
Клеммные колодки
Клеммные колодки
Крышки трамблеров, бегунки volvo-penta
Крышки трамблеров, бегунки volvo-penta
Панели бортового питания
Панели бортового питания
Переключатели и кнопки
Клавиши
Предохранители
Предохранители
Приборы
Амперметры
Вольтметры
Давление воды
Давление масла
Индикаторы
Индикаторы заряда батареи
Комбинированные приборы
Компасы
Спидометры
Счетчики моточасов
Тахометры
Тахометры на румпель
Температура воды (двигателя)
Температура масла
Угол поворота / положение руля (аксиометр)
Указатель трима
Уровень воды
Уровень сточных вод
Уровень топлива
Часы
Еще
Прикуриватели и розетки 12v
Прикуриватели и розетки 12v
Размыкатели массы
Размыкатели массы
Разъемы, наконечники
Разъемы, наконечники
Регуляторы напряжения
Tohatsu
Регуляторы напряжения для mercury
Регуляторы напряжения для suzuki
Регуляторы напряжения для yamaha
Реле mercruiser
Реле mercruiser
Свечи зажигания volvo-penta
Свечи зажигания volvo-penta
Свечные ключи
Свечные ключи
Система креплений тип "ram"
Система креплений тип "ram"
Стартеры mercruiser
Стартеры mercruiser
Стартеры volvo-penta
Стартеры volvo-penta
Трамблеры, крышки трамблеров
Трамблеры, крышки трамблеров
ATV
ATV
Гидравлическое
Гидравлическое
Консервация
Консервация
Мотоциклы/скутеры
Мотоциклы/скутеры
Охлаждающие жидкости
Охлаждающие жидкости
Смазочные материалы, очистители
Смазочные материалы, очистители
Снегоходы
Снегоходы
Стационарные моторы
25w40 Quicksilver
Трансмиссионное
Quicksilver
Жгуты, проводка
Жгуты, проводка
Замки зажигания
Замки зажигания
Кнопка трима
Кнопка трима
Машинки газ реверс
Машинки газ реверс для honda
Машинки газ реверс для mercury
Машинки газ реверс для suzuki
Машинки газ реверс для yamaha
Универсальные
Наконечники кабелей газ реверс
Наконечники кабелей газ реверс
Опоры рулевого троса
Опоры рулевого троса
Редукторы рулевые
Редукторы рулевые
Рулевые консоли
Рулевые консоли
Рули
Рули
Тросы газа-реверса
Тросы газа-реверса для honda
Тросы газа-реверса для johnson/evinrude
Тросы газа-реверса для mercury/mercruiser
Тросы газа-реверса для yamaha
Тросы рулевые
Тросы рулевые
Тяги рулевые
Тяги рулевые
Уплотнение кабеля
Уплотнение кабеля
Osculati - аксессуары и комплектующие для катеров и яхт
Osculati - аксессуары и комплектующие для катеров и яхт
Звуковые сигналы
Звуковые сигналы
Леерное оборудование
Колено леера
Кронштейн рамы тента палубный
Кронштейн скользящий для рамы тента
Наконечники рамы тента
Основание леера
Поворотное звено тента
Стойки (держатели) поручня
Стойки леера
Тройник леера
Еще
Мебель судовая
Кресла и принадлежности
Столы и принадлежности
Палубное оборудование
Аксессуары палубные
Держатели удилищ
Палубные люки, иллюминаторы
Механизмы фиксации люка
Средства безопасности и спасения
Спасательные жилеты
Такелаж и фурнитура
Крепеж нержавеющий
Петли
Универсальный крепеж
Тентовое оборудование
Тентовый крепеж и фурнитура
Якорно-швартовое оборудование
Буи, кранцы и аксессуары
Клюзы
Лебёдки якорные
Утки и кнехты швартовые
Фалы и тросы
Цепи якорные и комплектующие
Якоря
Еще
Вентиляционные головки
Вентиляционные головки
Крепления топливных баков
Крепления топливных баков
Патрубоки забора топлива
Патрубоки забора топлива
Помпы для топлива
Помпы для топлива
Сепараторы топлива
Сепараторы топлива
Топливные краны и штуцеры
Топливные краны и штуцеры
Аэраторные помпы и оборудование
Аэраторные помпы и оборудование
Насосы для перекачки жидкости на батарейках
Насосы для перекачки жидкости на батарейках
Система пресной воды
Шланги и переходники
Аксессуары для квадроциклов и мотовездеходов
Защита для квадроциклов
Двигатель для квадроциклов
Поршневые кольца для квадроциклов
Поршни для квадроциклов
Подвеска для квадроциклов
Втулки подвески для квадроциклов
Шаровые опоры для квадроциклов
Рулевое управление для квадроциклов
Рулевые наконечники для квадроциклов
Световое оборудование
Световое оборудование
Трансмиссия для квадроциклов
Приводные валы (в сборе) для квадроциклов
Прокладки и сальники для квадроциклов
Пыльники шрус для квадроциклов
Ремни вариаторов для квадроциклов
Ступичные подшипники для квадроциклов
Фильтры для квадроциклов и мотовездеходов
Воздушные фильтры для квадроциклов
Масляные фильтры для квадроциклов
Топливные фильтры для квадроциклов
Электрооборудование для квадроциклов
Катушки зажигания для квадроциклов
Регуляторы напряжения для квадроциклов
Реле стартера для квадроциклов
Стартеры для квадроциклов
Главная
Каталог
Каталог Запчастей
Квадроциклы
Yamaha
2003
Bear Tracker (Yfm250Xr)
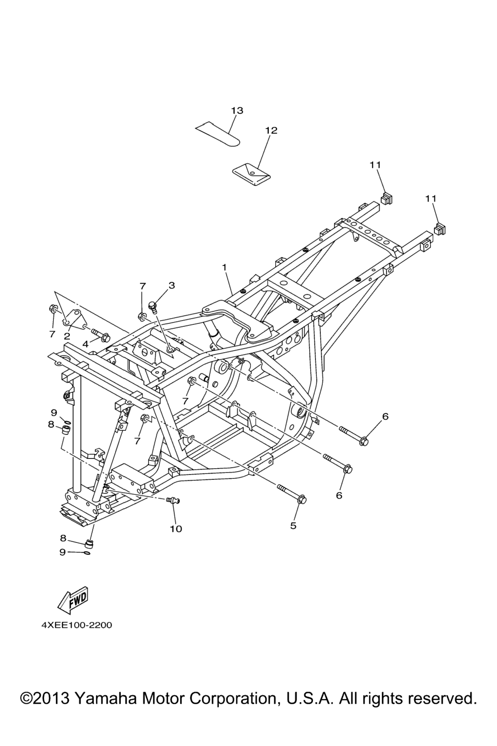
Рама
Рама для квадроциклов Yamaha BEAR TRACKER (YFM250XR) 2003г.
1
Под заказ
4XE-F1110-11-00
Frame Comp
168 370 ₽
185 207 ₽
1
Под заказ
4XE-F1110-17-00
Frame Comp
2
Под заказ
4XE-F1315-00-00
Крепление двигателя
2 350 ₽
2 585 ₽
2
Под заказ
4XE-F1315-01-00
Подставка, двигатель 2
2 179 ₽
2 397 ₽
3
Под заказ
95817-08012-00
Болт
3
Под заказ
958-1P080-12-00
Болт
4
Под заказ
90105-088A7-00
Болт
1 324 ₽
1 456 ₽
4
Под заказ
90105-08805-00
Болт
657 ₽
723 ₽
5
Под заказ
90105-08888-00
Болт
5
Под заказ
90105-088A8-00
Болт
6
Под заказ
90105-088A9-00
Болт
2 350 ₽
2 585 ₽
6
Под заказ
90105-08806-00
Болт
566 ₽
623 ₽
7
Под заказ
90179-08893-00
Гайка
886 ₽
975 ₽
7
Под заказ
90185-08017-00
Гайка самоконтрящаяся
1 087 ₽
1 196 ₽
8
Под заказ
90381-15040-00
Втулка
4 064 ₽
4 470 ₽
9
Под заказ
93210-15414-00
Кольцо уплотнительное
7 013 ₽
7 714 ₽
9
Под заказ
93210-15566-00
Кольцо уплотнительное
1 233 ₽
1 356 ₽
10
Под заказ
93700-06M03-00
Штуцер для смазки
10
Под заказ
93700-06004-00
Штуцер для смазки
11
Под заказ
5FU-F111A-00-00
Заглушка трубы
1 170 ₽
1 287 ₽
12
Под заказ
5ND-F8100-00-00
Инструменты, комплект
3 648 ₽
4 013 ₽
13
Под заказ
1NV-2811A-01-00
Прибор контроля давления воздуха
8 714 ₽
9 585 ₽
Схема узла: Рама для квадроциклов Yamaha BEAR TRACKER (YFM250XR) 2003г.
Купить запчасти: 4XE-F1110-11-00, 4XE-F1110-17-00, 4XE-F1315-00-00, 4XE-F1315-01-00, 95817-08012-00, 958-1P080-12-00, 90105-088A7-00, 90105-08805-00, 90105-08888-00, 90105-088A8-00, 90105-088A9-00, 90105-08806-00, 90179-08893-00, 90185-08017-00, 90381-15040-00, 93210-15414-00, 93210-15566-00, 93700-06M03-00, 93700-06004-00, 5FU-F111A-00-00, 5ND-F8100-00-00, 1NV-2811A-01-00.
Ваш город
Москва
Санкт-Петербург
Воронеж
Краснодар
Волгоград
Ростов-на-Дону
Махачкала
Казань
Ижевск
Самара
Тольятти
Пермь
Уфа
Саратов
Тюмень
Екатеринбург
Челябинск
Красноярск
Новосибирск
Омск
Барнаул
Хабаровск
Меню
Звонок
Корзина
Поиск
Вход
Каталог
Каталог запчастей
Лодочные моторы
Лодки и катера
Гребные винты
Запчасти для подвесных лодочных моторов
Запчасти для гидроциклов
Запчасти для снегоходов
Электрооборудование
Масла и смазочные материалы
Системы рулевого и дистанционного управления
Оборудование для катеров и яхт
Топливные аксессуары
Водяные помпы, поплавковые выключатели
Запчасти для квадроциклов
Информация
О нас
Оплата
Доставка
Возврат
Сервис
Контакты
Ваш город
Москва
ИНН:
780710954636
ОГРН:
316784700070216