Задние фонари для квадроциклов Yamaha BANSHEE LE (YFZ350LER) 2003г.

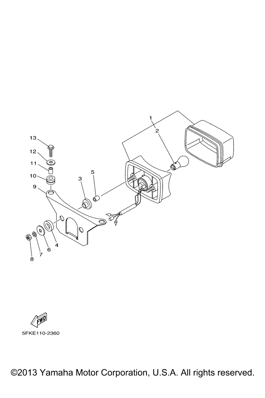
Схема узла: Задние фонари для квадроциклов Yamaha BANSHEE LE (YFZ350LER) 2003г.
Купить запчасти: 3FA-84710-00-00, 3FA-84710-01-00, 1A2-84714-50-00, 1A2-84714-41-00, 90480-14088-00, 90202-14077-00, 90387-06595-00, 90560-07007-00, 90201-06074-00, 92907-06100-00, 95317-06600-00, 953-07066-00-00, 3FA-84702-10-00, 90480-14555-00, 90480-14229-00, 90387-065L7-00, 90387-06026-00, 90201-063J2-00, 90201-06071-00, 95807-06025-00, 95822-06025-00.
Москва Санкт-Петербург Воронеж Краснодар Волгоград Ростов-на-Дону Махачкала Казань Ижевск Самара Тольятти Пермь Уфа Саратов Тюмень Екатеринбург Челябинск Красноярск Новосибирск Омск Барнаул Хабаровск
Меню
Звонок
Корзина
Поиск
Вход