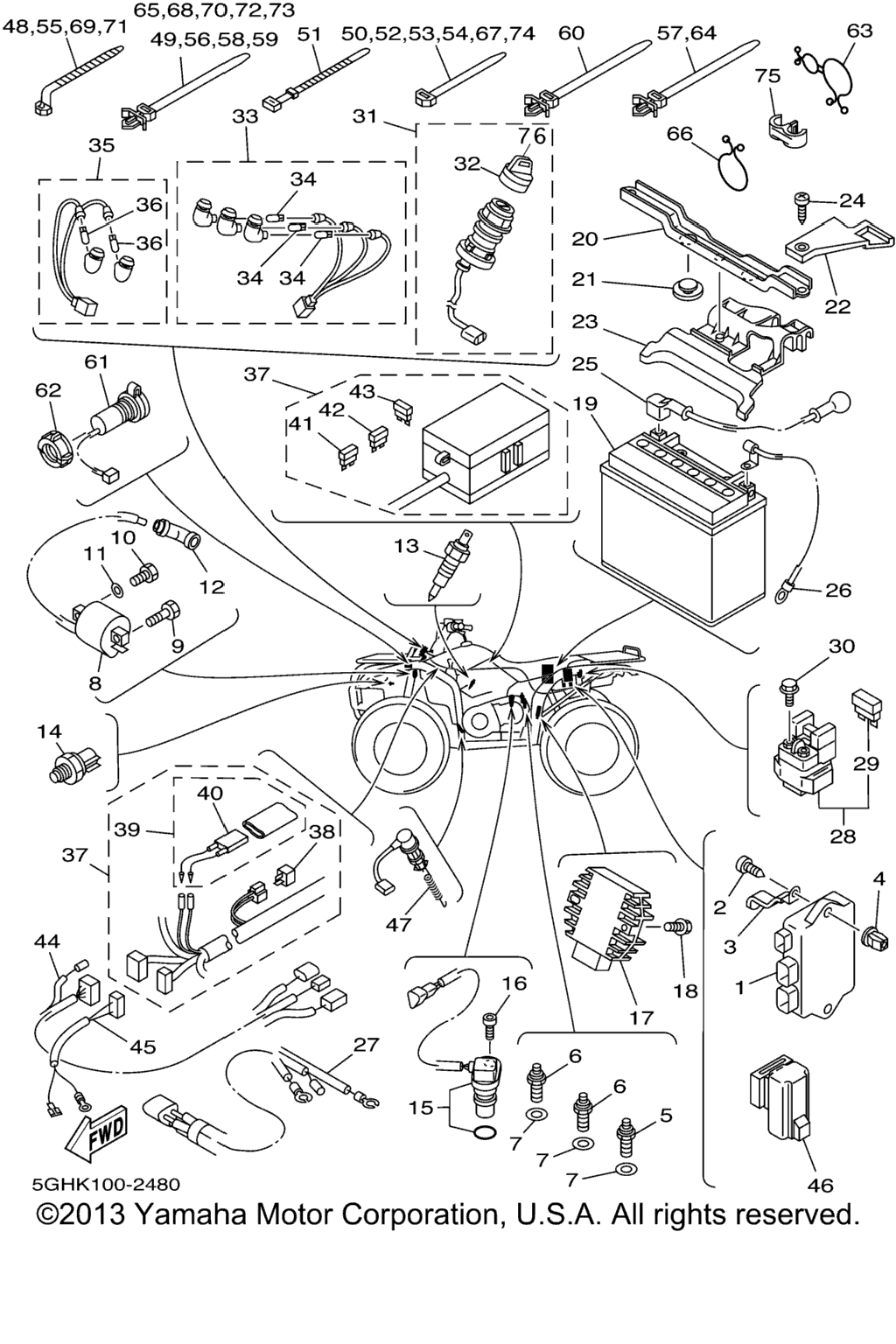
Электрика 1 для квадроциклов Yamaha KODIAK 4WD (YFM400FAP) 2002г.

Схема узла Электрика 1
1
Под заказ
Изображение товара Коммутатор
5GH-85540-20-00
Коммутатор
95 814 ₽
105 395 ₽
2
Под заказ
Изображение товара Винт
97707-60525-00
Винт
1 255 ₽
1 381 ₽
3
Под заказ
Изображение товара Хомут
90462-06016-00
Хомут
1 239 ₽
1 363 ₽
4
Под заказ
Изображение товара Пробка
90338-08226-00
Пробка
694 ₽
763 ₽
5
Под заказ
Изображение товара Нейтральный переключатель
3GB-82540-01-00
Нейтральный переключатель
6
Под заказ
Изображение товара Датчик нейтрали
4GY-82540-10-00
Датчик нейтрали
5 785 ₽
6 364 ₽
6
Под заказ
Изображение товара Нейтральный переключатель
4KM-82540-00-00
Нейтральный переключатель
7
Под заказ
Изображение товара Прокладка
90430-10148-00
Прокладка
1 281 ₽
1 409 ₽
8
Под заказ
Изображение товара Ignition Coil Assy
3KJ-82310-13-00
Ignition Coil Assy
6 418 ₽
7 060 ₽
8
Под заказ
Изображение товара Катушка высоковольтная
3KJ-82310-10-00
Катушка высоковольтная
9
Под заказ
Изображение товара Болт
90109-06723-00
Болт
1 255 ₽
1 381 ₽
10
В наличии
Изображение товара Болт
97017-06020-00
Болт
268 ₽
295 ₽
10
Под заказ
Изображение товара Болт
97007-06020-00
Болт
127 ₽
140 ₽
11
Под заказ
Изображение товара Шайба
92907-06600-00
Шайба
246 ₽
271 ₽
12
Под заказ
Изображение товара Колпачок высоковольтный
3NS-82370-00-00
Колпачок высоковольтный
5 604 ₽
6 164 ₽
12
Под заказ
Изображение товара Колпачок высоковольтный
1UY-82370-20-00
Колпачок высоковольтный
5 544 ₽
6 098 ₽
13
Под заказ
Изображение товара Выключатель температурный
4BA-82560-00-00
Выключатель температурный
12 012 ₽
13 213 ₽
14
Под заказ
Изображение товара Включатель (по температуре)
5GH-82560-00-00
Включатель (по температуре)
8 715 ₽
9 587 ₽
15
Под заказ
Изображение товара Датчик скорости
4XV-83755-01-00
Датчик скорости
23 893 ₽
26 282 ₽
15
Под заказ
Изображение товара 4XV-83755-04-00 , Yamaha
4XV-83755-04-00
4XV-83755-04-00 , Yamaha
18 469 ₽
20 316 ₽
16
Под заказ
Изображение товара Болт
91317-06016-00
Болт
694 ₽
763 ₽
16
Под заказ
Изображение товара Болт
90110-06001-00
Болт
258 ₽
284 ₽
17
Под заказ
Изображение товара Реле-регулятор
5GT-81960-00-00
Реле-регулятор
42 020 ₽
46 222 ₽
18
Под заказ
Изображение товара Болт
95807-06020-00
Болт
465 ₽
512 ₽
18
Под заказ
Изображение товара Болт
95817-06020-00
Болт
19
Под заказ
Изображение товара Аккумулятор
YTX-20LBS-00-00
Аккумулятор
19
Под заказ
Изображение товара Battery Assy (Yuasa Ytx20L-Bs)
BTY-YTX20LB-S0
Battery Assy (Yuasa Ytx20L-Bs)
20
Под заказ
Изображение товара Bracket, Battery
5GH-82128-00-00
Bracket, Battery
2 843 ₽
3 127 ₽
21
Под заказ
Изображение товара Упор
371-82121-00-00
Упор
1 410 ₽
1 551 ₽
22
Под заказ
Изображение товара Cover, Lead Wire
5GH-82119-00-00
Cover, Lead Wire
1 275 ₽
1 403 ₽
23
Под заказ
Изображение товара Крышка аккумулятора
5GH-82129-00-00
Крышка аккумулятора
24
Под заказ
Изображение товара Винт
97707-50016-00
Винт
25
Под заказ
Изображение товара Wire, Plus Lead
5GH-82115-00-00
Wire, Plus Lead
26
Под заказ
Изображение товара Wire, Minus Lead
5GH-82116-00-00
Wire, Minus Lead
3 783 ₽
4 161 ₽
27
Под заказ
Изображение товара Проводка
5GH-82541-10-00
Проводка
3 302 ₽
3 632 ₽
28
Под заказ
Изображение товара Реле стартера
4SV-81940-12-00
Реле стартера
29
Под заказ
Изображение товара Предохранитель (30A-BL)
1AE-82151-00-00
Предохранитель (30A-BL)
1 255 ₽
1 381 ₽
30
Под заказ
Изображение товара Болт
95027-06008-00
Болт
1 170 ₽
1 287 ₽
31
Под заказ
Изображение товара Main Switch Assy
5KM-82510-01-00
Main Switch Assy
8 577 ₽
9 435 ₽
31
Под заказ
Изображение товара Замок зажигания
5KM-82510-00-00
Замок зажигания
32
Под заказ
Изображение товара Колпачок ключа
3HN-82579-00-00
Колпачок ключа
2 291 ₽
2 520 ₽
33
Под заказ
Изображение товара Pilot Light Assy
5GH-83530-00-00
Pilot Light Assy
6 626 ₽
7 289 ₽
34
Под заказ
Изображение товара Лампа (14V-1.7W)
5GH-83516-00-00
Лампа (14V-1.7W)
1 065 ₽
1 172 ₽
34
Под заказ
Изображение товара ЛАМПОЧКА
3FV-83517-00-00
ЛАМПОЧКА
35
Под заказ
Изображение товара Pilot Light Assy
5GH-83530-10-00
Pilot Light Assy
6 501 ₽
7 151 ₽
36
Под заказ
Изображение товара Лампа (14V-1.7W)
5GH-83516-00-00
Лампа (14V-1.7W)
1 065 ₽
1 172 ₽
36
Под заказ
Изображение товара ЛАМПОЧКА
3FV-83517-00-00
ЛАМПОЧКА
37
Под заказ
Изображение товара Wire Harness Assy
5GH-82590-30-00
Wire Harness Assy
37
Под заказ
Изображение товара Wire Harness Assy
5GH-82590-40-00
Wire Harness Assy
38
Под заказ
Изображение товара Диод
3WP-81980-00-00
Диод
3 253 ₽
3 578 ₽
39
Под заказ
Изображение товара Предохранитель автоматический
5GT-82180-00-00
Предохранитель автоматический
4 935 ₽
5 429 ₽
40
Под заказ
Изображение товара Включатель (температура)
5GT-82560-00-00
Включатель (температура)
5 606 ₽
6 167 ₽
41
Под заказ
Изображение товара Предохранитель (15A)
67F-82151-50-00
Предохранитель (15A)
41
Под заказ
Изображение товара Предохранитель (15A-BL)
5JJ-82151-10-00
Предохранитель (15A-BL)
42
Под заказ
Изображение товара Предохранитель (10A)
67F-82151-40-00
Предохранитель (10A)
42
Под заказ
Изображение товара Предохранитель (10A-BL)
5JJ-82151-30-00
Предохранитель (10A-BL)
43
Под заказ
Изображение товара Предохранитель (3A-BL)
5JJ-82151-50-00
Предохранитель (3A-BL)
799 ₽
879 ₽
43
Под заказ
Изображение товара Предохранитель
67F-82151-30-00
Предохранитель
44
Под заказ
Изображение товара Wire, Sub Lead
5GH-82309-10-00
Wire, Sub Lead
13 764 ₽
15 140 ₽
45
Под заказ
Изображение товара Wire, Sub Lead
5GH-82509-30-00
Wire, Sub Lead
3 881 ₽
4 269 ₽
46
Под заказ
Изображение товара Реле
2NL-81950-92-00
Реле
10 196 ₽
11 216 ₽
47
Под заказ
Изображение товара Стопорный переключатель
5GH-82530-00-00
Стопорный переключатель
48
Под заказ
Изображение товара Хомут пластмассовый
90464-15195-00
Хомут пластмассовый
937 ₽
1 031 ₽
49
Под заказ
Изображение товара Хомут
90464-12089-00
Хомут
49
Под заказ
Изображение товара Хомут с фиксатором
90464-10112-00
Хомут с фиксатором
50
Под заказ
Изображение товара Хомут пластмассовый
90464-15195-00
Хомут пластмассовый
937 ₽
1 031 ₽
50
Под заказ
Изображение товара Хомут пластмассовый
90464-13073-00
Хомут пластмассовый
51
В наличии
Изображение товара Хомут
437-83936-01-00
Хомут
536 ₽
590 ₽
52
Под заказ
Изображение товара Хомут пластмассовый
90464-15195-00
Хомут пластмассовый
937 ₽
1 031 ₽
52
Под заказ
Изображение товара Хомут пластмассовый
90464-13073-00
Хомут пластмассовый
53
Под заказ
Изображение товара Хомут пластмассовый
90464-15195-00
Хомут пластмассовый
937 ₽
1 031 ₽
53
Под заказ
Изображение товара Хомут пластмассовый
90464-13073-00
Хомут пластмассовый
54
Под заказ
Изображение товара Хомут пластмассовый
90464-15195-00
Хомут пластмассовый
937 ₽
1 031 ₽
54
Под заказ
Изображение товара Хомут пластмассовый
90464-13073-00
Хомут пластмассовый
55
Под заказ
Изображение товара Хомут пластмассовый
90464-15195-00
Хомут пластмассовый
937 ₽
1 031 ₽
56
Под заказ
Изображение товара Хомут
90464-12089-00
Хомут
56
Под заказ
Изображение товара Хомут с фиксатором
90464-10112-00
Хомут с фиксатором
57
Под заказ
Изображение товара Хомут
90464-12036-00
Хомут
886 ₽
975 ₽
57
Под заказ
Изображение товара Хомут с фиксатором
90464-10112-00
Хомут с фиксатором
58
Под заказ
Изображение товара Хомут
90464-12089-00
Хомут
58
Под заказ
Изображение товара Хомут с фиксатором
90464-10112-00
Хомут с фиксатором
59
Под заказ
Изображение товара Хомут
90464-12089-00
Хомут
59
Под заказ
Изображение товара Хомут с фиксатором
90464-10112-00
Хомут с фиксатором
60
Под заказ
Изображение товара Хомут с фиксатором
90464-10112-00
Хомут с фиксатором
61
Под заказ
Изображение товара Разъём 12V
5GH-8254B-00-00
Разъём 12V
28 818 ₽
31 700 ₽
62
Под заказ
Изображение товара Гайка
5GH-82114-00-00
Гайка
3 687 ₽
4 056 ₽
63
Под заказ
Изображение товара Хомут двойной
90464-25098-00
Хомут двойной
363 ₽
399 ₽
64
Под заказ
Изображение товара Хомут
90464-12036-00
Хомут
886 ₽
975 ₽
64
Под заказ
Изображение товара Хомут с фиксатором
90464-10112-00
Хомут с фиксатором
65
Под заказ
Изображение товара Хомут
90464-12089-00
Хомут
65
Под заказ
Изображение товара Хомут с фиксатором
90464-10112-00
Хомут с фиксатором
66
Под заказ
Изображение товара Хомут пластмассовый
90465-10098-00
Хомут пластмассовый
67
Под заказ
Изображение товара Хомут пластмассовый
90464-15195-00
Хомут пластмассовый
937 ₽
1 031 ₽
67
Под заказ
Изображение товара Хомут пластмассовый
90464-13073-00
Хомут пластмассовый
68
Под заказ
Изображение товара Хомут
90464-12089-00
Хомут
68
Под заказ
Изображение товара Хомут с фиксатором
90464-10112-00
Хомут с фиксатором
69
Под заказ
Изображение товара Хомут пластмассовый
90464-15195-00
Хомут пластмассовый
937 ₽
1 031 ₽
70
Под заказ
Изображение товара Хомут
90464-12089-00
Хомут
70
Под заказ
Изображение товара Хомут с фиксатором
90464-10112-00
Хомут с фиксатором
71
Под заказ
Изображение товара Хомут пластмассовый
90464-15195-00
Хомут пластмассовый
937 ₽
1 031 ₽
72
Под заказ
Изображение товара Хомут
90464-12089-00
Хомут
72
Под заказ
Изображение товара Хомут с фиксатором
90464-10112-00
Хомут с фиксатором
73
Под заказ
Изображение товара Хомут
90464-12089-00
Хомут
73
Под заказ
Изображение товара Хомут с фиксатором
90464-10112-00
Хомут с фиксатором
74
Под заказ
Изображение товара Хомут пластмассовый
90464-15195-00
Хомут пластмассовый
937 ₽
1 031 ₽
74
Под заказ
Изображение товара Хомут пластмассовый
90464-13073-00
Хомут пластмассовый
75
Под заказ
Изображение товара Clamp
90464-08002-00
Clamp
595 ₽
655 ₽
76
Под заказ
Изображение товара Ключ, заготовка (A-TYPE)
90890-56001-00
Ключ, заготовка (A-TYPE)
1 585 ₽
1 744 ₽
76
Под заказ
Изображение товара Ключ, заготовка (B-TYPE)
90890-56002-00
Ключ, заготовка (B-TYPE)
1 585 ₽
1 744 ₽
Схема узла: Электрика 1 для квадроциклов Yamaha KODIAK 4WD (YFM400FAP) 2002г.
Купить запчасти: 5GH-85540-20-00, 97707-60525-00, 90462-06016-00, 90338-08226-00, 3GB-82540-01-00, 4GY-82540-10-00, 4KM-82540-00-00, 90430-10148-00, 3KJ-82310-13-00, 3KJ-82310-10-00, 90109-06723-00, 97017-06020-00, 97007-06020-00, 92907-06600-00, 3NS-82370-00-00, 1UY-82370-20-00, 4BA-82560-00-00, 5GH-82560-00-00, 4XV-83755-01-00, 4XV-83755-04-00, 91317-06016-00, 90110-06001-00, 5GT-81960-00-00, 95807-06020-00, 95817-06020-00, YTX-20LBS-00-00, BTY-YTX20LB-S0, 5GH-82128-00-00, 371-82121-00-00, 5GH-82119-00-00, 5GH-82129-00-00, 97707-50016-00, 5GH-82115-00-00, 5GH-82116-00-00, 5GH-82541-10-00, 4SV-81940-12-00, 1AE-82151-00-00, 95027-06008-00, 5KM-82510-01-00, 5KM-82510-00-00, 3HN-82579-00-00, 5GH-83530-00-00, 5GH-83516-00-00, 3FV-83517-00-00, 5GH-83530-10-00, 5GH-83516-00-00, 3FV-83517-00-00, 5GH-82590-30-00, 5GH-82590-40-00, 3WP-81980-00-00, 5GT-82180-00-00, 5GT-82560-00-00, 67F-82151-50-00, 5JJ-82151-10-00, 67F-82151-40-00, 5JJ-82151-30-00, 5JJ-82151-50-00, 67F-82151-30-00, 5GH-82309-10-00, 5GH-82509-30-00, 2NL-81950-92-00, 5GH-82530-00-00, 90464-15195-00, 90464-12089-00, 90464-10112-00, 90464-15195-00, 90464-13073-00, 437-83936-01-00, 90464-15195-00, 90464-13073-00, 90464-15195-00, 90464-13073-00, 90464-15195-00, 90464-13073-00, 90464-15195-00, 90464-12089-00, 90464-10112-00, 90464-12036-00, 90464-10112-00, 90464-12089-00, 90464-10112-00, 90464-12089-00, 90464-10112-00, 90464-10112-00, 5GH-8254B-00-00, 5GH-82114-00-00, 90464-25098-00, 90464-12036-00, 90464-10112-00, 90464-12089-00, 90464-10112-00, 90465-10098-00, 90464-15195-00, 90464-13073-00, 90464-12089-00, 90464-10112-00, 90464-15195-00, 90464-12089-00, 90464-10112-00, 90464-15195-00, 90464-12089-00, 90464-10112-00, 90464-12089-00, 90464-10112-00, 90464-15195-00, 90464-13073-00, 90464-08002-00, 90890-56001-00, 90890-56002-00.
Москва Санкт-Петербург Воронеж Краснодар Волгоград Ростов-на-Дону Махачкала Казань Ижевск Самара Тольятти Пермь Уфа Саратов Тюмень Екатеринбург Челябинск Красноярск Новосибирск Омск Барнаул Хабаровск
Меню
Звонок
Корзина
Поиск
Вход