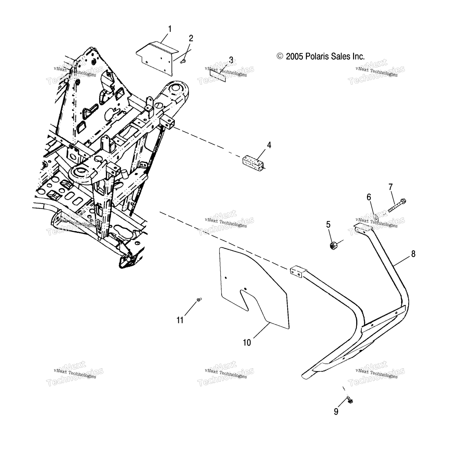
Передний бампер и щиты для квадроциклов Polaris TRAIL BLAZER (A06BA25CA) 2006г.

Схема узла: Передний бампер и щиты для квадроциклов Polaris TRAIL BLAZER (A06BA25CA) 2006г.
Купить запчасти: 5247602-067, 7517386, 7175521, 7079924, 5810467, 7542343, 7558402, 7512329, 1012773-067, 1014309-067, 7515399, 5434085, 7670088.
Москва Санкт-Петербург Воронеж Краснодар Волгоград Ростов-на-Дону Махачкала Казань Ижевск Самара Тольятти Пермь Уфа Саратов Тюмень Екатеринбург Челябинск Красноярск Новосибирск Омск Барнаул Хабаровск
Меню
Звонок
Корзина
Поиск
Вход