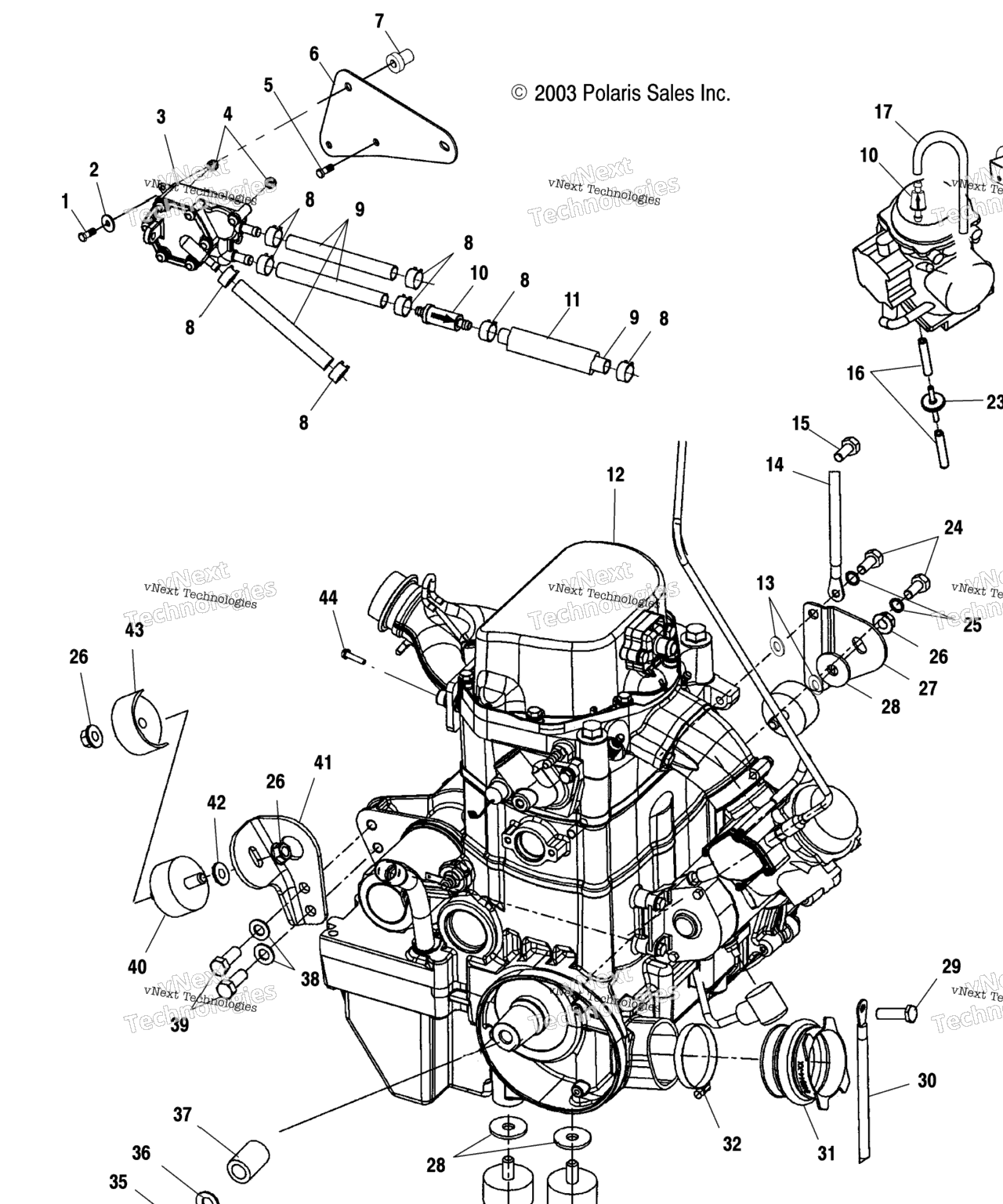
Крепление двигателя для квадроциклов Polaris A04CH68AC SPORTSMAN 700 (A04CH68AC/AF/AH/AJ/AT/AV) 2004г.

Схема узла Крепление Двигателя
1
Под заказ
Изображение товара Screw,m5x0,8x10,phpn zy,l/w sem
7517867
Screw,m5x0,8x10,phpn zy,l/w sem
1 410 ₽
1 551 ₽
2
Под заказ
Изображение товара Washer, flat(10)  *
7558301
Washer, flat(10) *
133 ₽
146 ₽
3
Под заказ
Изображение товара Asm-pump fuel
2520227
Asm-pump fuel
19 545 ₽
21 500 ₽
4
Под заказ
Изображение товара Nut, nylok(10)
7546601
Nut, nylok(10)
5
В наличии
Изображение товара Bolt
7512329
Bolt
134 ₽
147 ₽
6
Под заказ
Изображение товара SPKT,17T,3/4W,15 SPL,HV,PM
9999999
SPKT,17T,3/4W,15 SPL,HV,PM
6
Под заказ
Изображение товара Strap-fuel pump,mtg,consol plt
5243829
Strap-fuel pump,mtg,consol plt
7
Под заказ
Изображение товара Nut-well(10)  *
7541923
Nut-well(10) *
1 287 ₽
1 416 ₽
8
Под заказ
Изображение товара Clamp,hose(10)
7080003
Clamp,hose(10)
133 ₽
146 ₽
9
Под заказ
Изображение товара Line fuel,1/4 id(600 cm,)
8450040-600
Line fuel,1/4 id(600 cm,)
9 347 ₽
10 282 ₽
10
В наличии
Изображение товара Filter,small,in-line,(10)
2530009
Filter,small,in-line,(10)
736 ₽
810 ₽
11
Под заказ
Изображение товара Sheath, foil
8450080-50
Sheath, foil
12
Под заказ
Изображение товара Kit, short block, 700 atv
2202855
Kit, short block, 700 atv
12
Под заказ
Изображение товара N/A,USE COMPONENTS NOTE:  WHEN ORDERING IGNITION KEY PN 5410611 BE SURE TO SPECIFY IF FOR AN A,B,C,D, OR E SWITCH.  LETTER CODE WILL BE LABELED ON UNDERSIDE OF SWITCH BODY BEHIND CONSOLE.  KEY DOT CODE FOUND ON KEY CAP [I.E. ONE DOT = A, TWO DOTS= B, ETC.].
9990000
N/A,USE COMPONENTS NOTE: WHEN ORDERING IGNITION KEY PN 5410611 BE SURE TO SPECIFY IF FOR AN A,B,C,D, OR E SWITCH. LETTER CODE WILL BE LABELED ON UNDERSIDE OF SWITCH BODY BEHIND CONSOLE. KEY DOT CODE FOUND ON KEY CAP [I.E. ONE DOT = A, TWO DOTS= B, ETC.].
13
Под заказ
Изображение товара Washer,flat(10)
7558402
Washer,flat(10)
2 663 ₽
2 929 ₽
13
Под заказ
Изображение товара Шайба
7555770
Шайба
14
Под заказ
Изображение товара Cable,gnd-engine
4010132
Cable,gnd-engine
4 326 ₽
4 759 ₽
15
Под заказ
Изображение товара Screw(10)
7517386
Screw(10)
1 174 ₽
1 291 ₽
16
Под заказ
Изображение товара Line,fuel,1/8 id,600 cm,
8360009-600
Line,fuel,1/8 id,600 cm,
8 956 ₽
9 852 ₽
17
Под заказ
Изображение товара Hose-formed,vent
5412287
Hose-formed,vent
2 209 ₽
2 430 ₽
18
Под заказ
Изображение товара Brkt-carb mnt plated
5247141
Brkt-carb mnt plated
1 259 ₽
1 385 ₽
19
Под заказ
Изображение товара Nut hex
7542105
Nut hex
545 ₽
600 ₽
20
Под заказ
Изображение товара Washer, flat(10)  *
7558301
Washer, flat(10) *
133 ₽
146 ₽
21
Под заказ
Изображение товара Шайба
7558203
Шайба
939 ₽
1 033 ₽
22
Под заказ
Изображение товара Mount,carburetor
3110050
Mount,carburetor
2 634 ₽
2 897 ₽
23
Под заказ
Изображение товара Valve,check
7051011
Valve,check
1 533 ₽
1 686 ₽
24
Под заказ
Изображение товара Screw,h,h,cap
7516714
Screw,h,h,cap
545 ₽
600 ₽
25
Под заказ
Изображение товара Washer,spring lock(10)
7552901
Washer,spring lock(10)
5 586 ₽
6 145 ₽
26
Под заказ
Изображение товара Гайка
7547108
Гайка
1 410 ₽
1 551 ₽
27
Под заказ
Изображение товара SPKT,17T,3/4W,15 SPL,HV,PM
9999999
SPKT,17T,3/4W,15 SPL,HV,PM
27
Под заказ
Изображение товара Brkt,mnt,engine,top,blk
5244622-067
Brkt,mnt,engine,top,blk
28
Под заказ
Изображение товара Шайба
7555823
Шайба
1 099 ₽
1 209 ₽
29
Под заказ
Изображение товара Bolt-m6x1,0x30,hxhd sems l/wzy
7517868
Bolt-m6x1,0x30,hxhd sems l/wzy
2 350 ₽
2 585 ₽
30
Под заказ
Изображение товара Cable-black,25"
4010470
Cable-black,25"
31
Под заказ
Изображение товара Boot-clutch intake,2,25 i,d,
5412634
Boot-clutch intake,2,25 i,d,
2 350 ₽
2 585 ₽
31
Под заказ
Изображение товара Boot, intake
5411944
Boot, intake
32
Под заказ
Изображение товара Clamp, hose, s,s,(10)
7080451
Clamp, hose, s,s,(10)
2 116 ₽
2 328 ₽
33
Под заказ
Изображение товара Isolator-3/8-24m,3/8-16m,60dur
3022076
Isolator-3/8-24m,3/8-16m,60dur
8 956 ₽
9 852 ₽
33
Под заказ
Изображение товара Mount, rubber, rear
3021-119
Mount, rubber, rear
34
Под заказ
Изображение товара Bolt-clutch atv,7/16x20x8
7519287
Bolt-clutch atv,7/16x20x8
7 317 ₽
8 049 ₽
34
Под заказ
Изображение товара Bolt,7/16x20x8
7518197
Bolt,7/16x20x8
35
Под заказ
Изображение товара Washer lock
7575202
Washer lock
1 319 ₽
1 451 ₽
36
Под заказ
Изображение товара Шайба (10)
5210748
Шайба (10)
9 302 ₽
10 232 ₽
37
Под заказ
Изображение товара Втулка
5430261
Втулка
1 650 ₽
1 815 ₽
38
Под заказ
Изображение товара Washer,spring lock(10)
7552603
Washer,spring lock(10)
3 728 ₽
4 101 ₽
39
Под заказ
Изображение товара Screw(10)
7512492
Screw(10)
876 ₽
964 ₽
40
Под заказ
Изображение товара ISOLATOR-3/8-24M/M,60DURO
3024012
ISOLATOR-3/8-24M/M,60DURO
5 577 ₽
6 135 ₽
40
Под заказ
Изображение товара Mount, rubber, top
3110044
Mount, rubber, top
41
Под заказ
Изображение товара Mnt-engine,lower,front,blk
5244771-067
Mnt-engine,lower,front,blk
4 097 ₽
4 507 ₽
42
Под заказ
Изображение товара Шайба
7555823
Шайба
1 099 ₽
1 209 ₽
43
Под заказ
Изображение товара Brkt-torque stop pltd
5245043
Brkt-torque stop pltd
43
Под заказ
Изображение товара Bracket, torque stop
5245043-067
Bracket, torque stop
44
Под заказ
Изображение товара Болт
7516734
Болт
1 319 ₽
1 451 ₽
Схема узла: Крепление двигателя для квадроциклов Polaris A04CH68AC SPORTSMAN 700 (A04CH68AC/AF/AH/AJ/AT/AV) 2004г.
Купить запчасти: 7517867, 7558301, 2520227, 7546601, 7512329, 9999999, 5243829, 7541923, 7080003, 8450040-600, 2530009, 8450080-50, 2202855, 9990000, 7558402, 7555770, 4010132, 7517386, 8360009-600, 5412287, 5247141, 7542105, 7558301, 7558203, 3110050, 7051011, 7516714, 7552901, 7547108, 9999999, 5244622-067, 7555823, 7517868, 4010470, 5412634, 5411944, 7080451, 3022076, 3021-119, 7519287, 7518197, 7575202, 5210748, 5430261, 7552603, 7512492, 3024012, 3110044, 5244771-067, 7555823, 5245043, 5245043-067, 7516734.
Москва Санкт-Петербург Воронеж Краснодар Волгоград Ростов-на-Дону Махачкала Казань Ижевск Самара Тольятти Пермь Уфа Саратов Тюмень Екатеринбург Челябинск Красноярск Новосибирск Омск Барнаул Хабаровск
Меню
Звонок
Корзина
Поиск
Вход