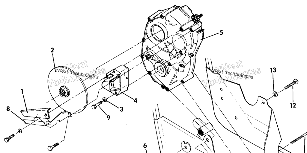
Кронштейн правого редуктора и тормоза обновлено 5/90 для квадроциклов Polaris BIG BOSS 4X6 (W908627) 1990г.

Схема узла: Кронштейн правого редуктора и тормоза обновлено 5/90 для квадроциклов Polaris BIG BOSS 4X6 (W908627) 1990г.
Купить запчасти: 5240117, 1910021, 1910087, 7558402, 1910046, 1910073, 9990000, 1341066, 5220958, 7512702, 7512701, 7072790, 7515345, 7515472, 7542403, 7512492, 7515458, 7552603.
Москва Санкт-Петербург Воронеж Краснодар Волгоград Ростов-на-Дону Махачкала Казань Ижевск Самара Тольятти Пермь Уфа Саратов Тюмень Екатеринбург Челябинск Красноярск Новосибирск Омск Барнаул Хабаровск
Меню
Звонок
Корзина
Поиск
Вход