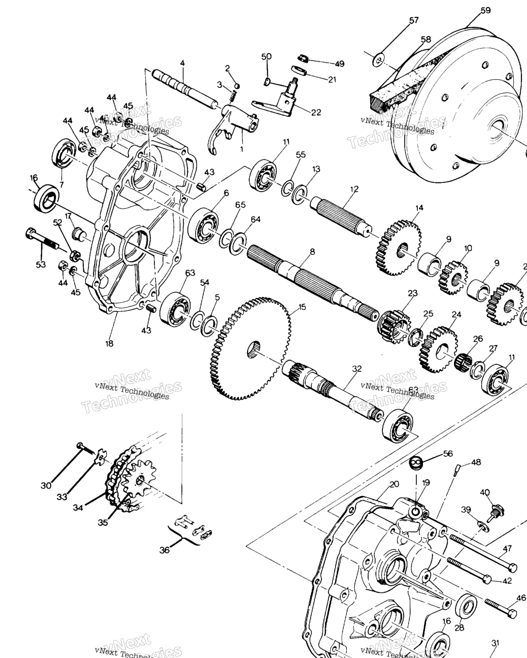
Редукторный узел (4916351635037a) для квадроциклов Polaris TRAIL BOSS 4X4 (W898127) 1989г.

Схема узла Редукторный Узел (4916351635037A)
 
Под заказ
Изображение товара N/A,USE COMPONENTS NOTE:  WHEN ORDERING IGNITION KEY PN 5410611 BE SURE TO SPECIFY IF FOR AN A,B,C,D, OR E SWITCH.  LETTER CODE WILL BE LABELED ON UNDERSIDE OF SWITCH BODY BEHIND CONSOLE.  KEY DOT CODE FOUND ON KEY CAP [I.E. ONE DOT = A, TWO DOTS= B, ETC.].
9990000
N/A,USE COMPONENTS NOTE: WHEN ORDERING IGNITION KEY PN 5410611 BE SURE TO SPECIFY IF FOR AN A,B,C,D, OR E SWITCH. LETTER CODE WILL BE LABELED ON UNDERSIDE OF SWITCH BODY BEHIND CONSOLE. KEY DOT CODE FOUND ON KEY CAP [I.E. ONE DOT = A, TWO DOTS= B, ETC.].
 
Под заказ
Изображение товара Gearcase asm.
1341057
Gearcase asm.
1
Под заказ
Изображение товара Shifter
3231501
Shifter
19 153 ₽
21 068 ₽
2
Под заказ
Изображение товара Ball, steel
3231502
Ball, steel
3
Под заказ
Изображение товара Пружина
3231550
Пружина
694 ₽
763 ₽
4
Под заказ
Изображение товара Shaft, shift
3231504
Shaft, shift
2 788 ₽
3 067 ₽
5
Под заказ
Изображение товара SPKT,17T,3/4W,15 SPL,HV,PM
9999999
SPKT,17T,3/4W,15 SPL,HV,PM
5
Под заказ
Изображение товара Шайба
3231505
Шайба
6
Под заказ
Изображение товара Bearing
3231506
Bearing
7
Под заказ
Изображение товара SPKT,17T,3/4W,15 SPL,HV,PM
9999999
SPKT,17T,3/4W,15 SPL,HV,PM
7
Под заказ
Изображение товара Сальник
3231507
Сальник
8
Под заказ
Изображение товара Shaft,input
3231508
Shaft,input
9
Под заказ
Изображение товара Collar
3231509
Collar
10
Под заказ
Изображение товара Gear
3231510
Gear
5 163 ₽
5 679 ₽
11
Под заказ
Изображение товара Bearing
3231511
Bearing
12
Под заказ
Изображение товара Shaft
3231512
Shaft
13
Под заказ
Изображение товара Шайба
3231513
Шайба
909 ₽
1 000 ₽
14
Под заказ
Изображение товара Gear
3231514
Gear
15
Под заказ
Изображение товара Gear
3231515
Gear
13 145 ₽
14 460 ₽
16
Под заказ
Изображение товара Сальник
3231570
Сальник
17
Под заказ
Изображение товара Support
3231517
Support
18
Под заказ
Изображение товара Case, lh
3231571
Case, lh
19
Под заказ
Изображение товара Case, rh
3231572
Case, rh
20
Под заказ
Изображение товара SPKT,17T,3/4W,15 SPL,HV,PM
9999999
SPKT,17T,3/4W,15 SPL,HV,PM
20
Под заказ
Изображение товара Packing
3231553
Packing
21
Под заказ
Изображение товара Сальник
3231521
Сальник
22
Под заказ
Изображение товара Shaft, select
3231559
Shaft, select
5 802 ₽
6 382 ₽
23
Под заказ
Изображение товара Gear
3231523
Gear
24
Под заказ
Изображение товара SPKT,17T,3/4W,15 SPL,HV,PM
9999999
SPKT,17T,3/4W,15 SPL,HV,PM
24
Под заказ
Изображение товара Gear
3231524
Gear
25
Под заказ
Изображение товара Шайба
3231525
Шайба
26
Под заказ
Изображение товара Bearing,needle
3231526
Bearing,needle
27
Под заказ
Изображение товара Шайба
3231527
Шайба
27
Под заказ
Изображение товара SPKT,17T,3/4W,15 SPL,HV,PM
9999999
SPKT,17T,3/4W,15 SPL,HV,PM
28
Под заказ
Изображение товара Сальник
3231528
Сальник
28
Под заказ
Изображение товара SPKT,17T,3/4W,15 SPL,HV,PM
9999999
SPKT,17T,3/4W,15 SPL,HV,PM
29
Под заказ
Изображение товара Gear
3231529
Gear
30
Под заказ
Изображение товара Bolt
7512391
Bolt
31
Под заказ
Изображение товара Кольцо стопорное
3231531
Кольцо стопорное
32
Под заказ
Изображение товара Shaft, output
3231573
Shaft, output
18 899 ₽
20 789 ₽
33
Под заказ
Изображение товара Washer,shakeproof,5/16
7577902
Washer,shakeproof,5/16
34
Под заказ
Изображение товара Цепь
3224043
Цепь
16 297 ₽
17 927 ₽
35
Под заказ
Изображение товара Spkt,13t,splined *
3221041
Spkt,13t,splined *
6 972 ₽
7 669 ₽
35
Под заказ
Изображение товара Spkt, 12t *
3221044
Spkt, 12t *
6 333 ₽
6 966 ₽
35
Под заказ
Изображение товара Spkt, 11t *
3221043
Spkt, 11t *
6 273 ₽
6 900 ₽
35
Под заказ
Изображение товара Spkt,13t,
3221045
Spkt,13t,
36
Под заказ
Изображение товара Звено соединения
3225024
Звено соединения
1 533 ₽
1 686 ₽
37
Под заказ
Изображение товара Plug,drain,20mm,magnet
3231569
Plug,drain,20mm,magnet
38
Под заказ
Изображение товара Прокладка
3231538
Прокладка
39
Под заказ
Изображение товара Прокладка
3231539
Прокладка
317 ₽
349 ₽
40
Под заказ
Изображение товара Plug, oil
3231561
Plug, oil
41
Под заказ
Изображение товара Bolt
3231541
Bolt
42
Под заказ
Изображение товара Bolt
3231542
Bolt
43
Под заказ
Изображение товара Pipe, knock
3231543
Pipe, knock
44
Под заказ
Изображение товара Гайка
3231544
Гайка
45
Под заказ
Изображение товара Шайба
3231545
Шайба
46
Под заказ
Изображение товара Bolt
3231546
Bolt
47
Под заказ
Изображение товара Bolt
3231547
Bolt
48
Под заказ
Изображение товара Pipe,breather
3231548
Pipe,breather
49
Под заказ
Изображение товара Nut, lock
3231555
Nut, lock
50
Под заказ
Изображение товара Key, hi-pro
7721113
Key, hi-pro
1 174 ₽
1 291 ₽
51
Под заказ
Изображение товара Sw,rev,/neut,indic,
4110062
Sw,rev,/neut,indic,
6 966 ₽
7 663 ₽
52
Под заказ
Изображение товара Гайка
7542404
Гайка
880 ₽
968 ₽
53
Под заказ
Изображение товара Bolt
7515485
Bolt
628 ₽
691 ₽
54
Под заказ
Изображение товара Shim 25, 0,1
3231563
Shim 25, 0,1
1 571 ₽
1 728 ₽
54
Под заказ
Изображение товара Shim 25, 0.3
3231562
Shim 25, 0.3
55
Под заказ
Изображение товара Shim 20, 0.3
3231564
Shim 20, 0.3
55
Под заказ
Изображение товара Shim 20, 0.1
3231565
Shim 20, 0.1
56
Под заказ
Изображение товара Sw,rev,/neut,indic,
4110062
Sw,rev,/neut,indic,
6 966 ₽
7 663 ₽
57
Под заказ
Изображение товара Spacer,washer,driven clutch
5211041
Spacer,washer,driven clutch
58
В наличии
Изображение товара Приводной ремень
3211077
Приводной ремень
13 404 ₽
14 744 ₽
58
Под заказ
Изображение товара Belt-drive
3211048
Belt-drive
59
Под заказ
Изображение товара Asm,,clutch,driven,hvy ret
1322180
Asm,,clutch,driven,hvy ret
86 534 ₽
95 187 ₽
59
Под заказ
Изображение товара Clutch, driven
1322112
Clutch, driven
60
Под заказ
Изображение товара Bolt
7515327
Bolt
1 644 ₽
1 808 ₽
61
Под заказ
Изображение товара Washer,spring lock(10)
7552901
Washer,spring lock(10)
5 586 ₽
6 145 ₽
62
Под заказ
Изображение товара Washer, domed
5220646
Washer, domed
1 099 ₽
1 209 ₽
63
Под заказ
Изображение товара Bearing
3231574
Bearing
Схема узла: Редукторный узел (4916351635037a) для квадроциклов Polaris TRAIL BOSS 4X4 (W898127) 1989г.
Купить запчасти: 9990000, 1341057, 3231501, 3231502, 3231550, 3231504, 9999999, 3231505, 3231506, 9999999, 3231507, 3231508, 3231509, 3231510, 3231511, 3231512, 3231513, 3231514, 3231515, 3231570, 3231517, 3231571, 3231572, 9999999, 3231553, 3231521, 3231559, 3231523, 9999999, 3231524, 3231525, 3231526, 3231527, 9999999, 3231528, 9999999, 3231529, 7512391, 3231531, 3231573, 7577902, 3224043, 3221041, 3221044, 3221043, 3221045, 3225024, 3231569, 3231538, 3231539, 3231561, 3231541, 3231542, 3231543, 3231544, 3231545, 3231546, 3231547, 3231548, 3231555, 7721113, 4110062, 7542404, 7515485, 3231563, 3231562, 3231564, 3231565, 4110062, 5211041, 3211077, 3211048, 1322180, 1322112, 7515327, 7552901, 5220646, 3231574.
Москва Санкт-Петербург Воронеж Краснодар Волгоград Ростов-на-Дону Махачкала Казань Ижевск Самара Тольятти Пермь Уфа Саратов Тюмень Екатеринбург Челябинск Красноярск Новосибирск Омск Барнаул Хабаровск
Меню
Звонок
Корзина
Поиск
Вход