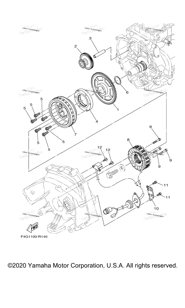
Генераторы для гидроциклов Yamaha SUPER JET (SJ1050W) 2021г.

Схема узла: Генераторы для гидроциклов Yamaha SUPER JET (SJ1050W) 2021г.
Купить запчасти: 8FA-15515-00-00, 2HC-15512-00-00, 8ES-15521-00-00, 6EY-15590-00-00, 90110-08212-00, 91317-08020-00, 90201-30013-00, 6EY-81450-00-00, 6EY-81450-01-00, 6EY-81410-00-00, 91317-06035-00, 60E-81328-00-00, 91317-06014-00, 97513-05514-00.
Москва Санкт-Петербург Воронеж Краснодар Волгоград Ростов-на-Дону Махачкала Казань Ижевск Самара Тольятти Пермь Уфа Саратов Тюмень Екатеринбург Челябинск Красноярск Новосибирск Омск Барнаул Хабаровск
Меню
Звонок
Корзина
Поиск
Вход