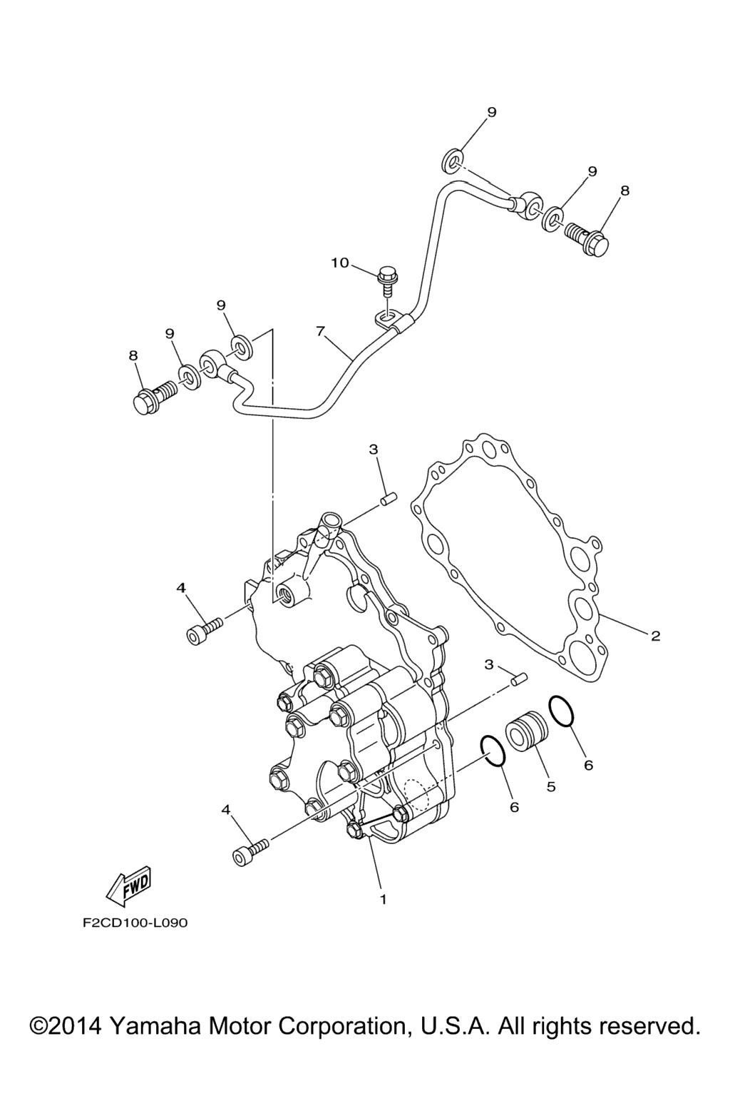
Масляные насосы для гидроциклов Yamaha WAVERUNNER FZR (GX1800P) 2015г.

Схема узла: Масляные насосы для гидроциклов Yamaha WAVERUNNER FZR (GX1800P) 2015г.
Купить запчасти: 6S5-13300-22-00, 6S5-13563-00-00, 93606-12019-00, 91314-06020-00, 6S5-13446-10-00, 93210-21631-00, 6S5-13416-00-00, 90401-10040-00, 90430-10007-00, 95023-06012-00, 95024-06012-00.
Москва Санкт-Петербург Воронеж Краснодар Волгоград Ростов-на-Дону Махачкала Казань Ижевск Самара Тольятти Пермь Уфа Саратов Тюмень Екатеринбург Челябинск Красноярск Новосибирск Омск Барнаул Хабаровск
Меню
Звонок
Корзина
Поиск
Вход