Масляный насос (sl 650 b944058) для polaris sl 650 для гидроциклов Polaris SL 650 SL 650 B944058 1994 (General)

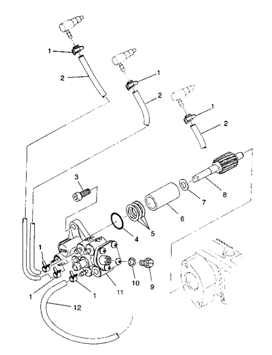
Схема узла: Масляный насос (sl 650 b944058) для polaris sl 650 для гидроциклов Polaris SL 650 SL 650 B944058 1994 (General)
Купить запчасти: 3240173, 3240172, 3240198, 3083127, 3083672, 3083673, 3083671, 3240101, 3083130, 3083131, 3240096, 3083126, 3240169, 3240170.
Москва Санкт-Петербург Воронеж Краснодар Волгоград Ростов-на-Дону Махачкала Казань Ижевск Самара Тольятти Пермь Уфа Саратов Тюмень Екатеринбург Челябинск Красноярск Новосибирск Омск Барнаул Хабаровск
Меню
Звонок
Корзина
Поиск
Вход