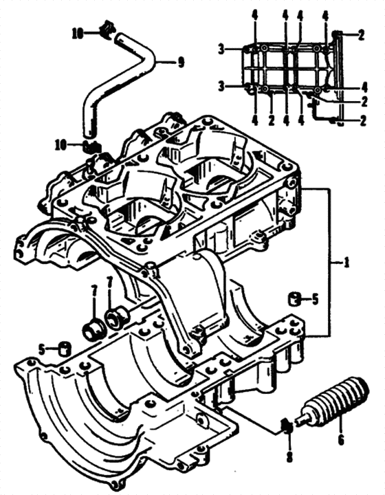
Картер двигателя для гидроциклов Arctic Cat MONTE CARLO MONTE CARLO (95MCA-W-1995) (General) 1995г.

Схема узла: Картер двигателя для гидроциклов Arctic Cat MONTE CARLO MONTE CARLO (95MCA-W-1995) (General) 1995г.
Купить запчасти: 3008-176, 3008-210, 3008-373, 3008-211, 3008-212, 0691-729, 3008-100, 3008-105, 3008-038, 3008-200, 0691-377, 0691-033, 3008-039.
Москва Санкт-Петербург Воронеж Краснодар Волгоград Ростов-на-Дону Махачкала Казань Ижевск Самара Тольятти Пермь Уфа Саратов Тюмень Екатеринбург Челябинск Красноярск Новосибирск Омск Барнаул Хабаровск
Меню
Звонок
Корзина
Поиск
Вход